座機:027-87580888
手機:18971233215
傳真:027-87580883
郵箱:didareneng@163.com
地址: 武漢市洪山區魯磨路388號中國地質大學校內(武漢)

恒溫恒濕!貴州銅仁卷煙廠應用復合型地源熱泵系統
文章來源:地大熱能 發布作者: 發表時間:2022-08-11 14:34:06瀏覽次數:7609
一、項目基本情況
項目位于貴州省銅仁市大興科技工業區,總建筑面積約8.4萬平方米,包括聯合生產工房、原輔料周轉庫、香精香料庫、生產管理及技術研發中心、后勤服務用房、輔助用房等。該項目是目前唯一在卷煙生產工藝中應用淺層地熱能實現恒溫恒濕卷煙生產環境的卷煙廠,其恒溫、恒濕效果非常好且節能效果明顯。該項目采用地埋管地源熱泵+地下水地源熱泵+冷卻塔的復合能源系統,且應用了余熱回收技術。
空調系統冷熱負荷
本項目總冷負荷為9220kW,總熱負荷為4378kW,具體見表1。
根據不同使用場景要求,地源熱泵復合能源系統需滿足多種恒溫、恒濕工況使用要求。本項目難點之一是需要滿足8種不同的恒溫、恒濕工況使用要求;難點之二是需要確保在喀斯特復雜地質條件下地埋管孔擁有高成孔率和水源井的高成井率。
為最大限度節約初期投資,本工程地源熱泵系統的設計原則為以滿足建筑物冬季空調熱負荷為主,剩余部分建筑冷負荷由冷卻塔適當調峰。即建筑供暖熱負荷全部由地埋管解決,建筑制冷負荷由地埋管和冷卻塔聯合解決。考慮到本項目建筑性質的特殊性及建筑冷熱負荷的差異性和項目所在地水文地質條件建議打2抽4回6口水源井。
利用地埋管滿足全部建筑供暖熱負荷需要單孔深度為150m的地埋管換熱器555眼。為最大限度節約初期投資,推薦以熱負荷為準計算地埋管數量,地埋管無法提供的部分冷負荷由冷卻塔解決。
在以冬季工況來考慮主機配比時如果選用2臺主機則單臺主機的制熱量較大,如果出現設備故障對整個系統的影響較大故選用3臺熱泵主機做為空調熱源,如1臺設備出現故障其余2臺可滿足總熱負荷的70%以上,可滿足正常使用要求。夏季工況下則采用與冬季工況相同的熱泵主機為建筑制冷,則共選用了6臺參數一樣的夏季冷凍水供回水溫度為7/12℃;冬季采暖熱水供回水溫度為55/50℃的熱泵主機為本項目供暖、制冷。采取該設計方案可以使熱泵主機互為備用提高系統的穩定性。由于工藝要求本項目在夏季工況下有熱源的需要,將3臺熱泵主機加裝熱回收裝置,在制冷的同時可提供55/50℃采暖熱水。這樣既可以滿足工藝需要也可以節省運行成本,另外還有水源熱泵做為備用熱源以保證系統的穩定運行。
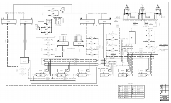
設置板式換熱器在過渡季利用冷卻塔和水源井的天然冷源為空調系統服務以節省運行成本。地源熱泵系統的工藝流程如圖2:
生產運行情況與經濟性
本項目自投產以來運行穩定,恒溫恒濕效果非常理想,地溫場保持均衡,系統運行效率始終較高。從實際運行結果來看采用多種能源形式調峰的復合式能源系統形式是可靠的,經濟的。復合式能源系統充分利用各種不同能源系統的優點,在保證空調冷熱負荷需求的前提下最大限度的降低了初期投資成本。在后期運行費用方面,采用地源熱泵復合能源系統后與常規空調相比,具有良好的經濟環境效益。夏季節約用電65萬千瓦時,節能率高達27%;冬季節約燃氣43萬m3,節能率高達53%;加上過渡季,全年節約運行費用近300萬元。同時每年可節約標煤600噸,減排二氧化碳1496噸,減排粉塵408噸,減排二氧化硫45噸,減排氮氧化合物22噸。